プレコンアンカーII プレキャストコンクリート用ハンガー 高ナット付タイプ特許取得済
プレキャストコンクリート用ハンガー W3/8 吊りボルト用アンカー
コンクリート、PC板、石材用
コンクリート、PC板、石材用
[プレコンアンカーII]シリーズの特長

圧縮強度の高いPC板(プレキャストコンクリート)等に使用できるよう、熱処理を施し独自の先端加工を施しました。低トルクで確実にタッピングし、切り粉を穴の奥に排出します。
[プレコンアンカーII]は、従来の金属拡張式アンカー(芯棒打込み式、内部コーン式など)と比較し、次のメリットがあります。
❶ 下穴径が小さい
❷ 打ち込み時の騒音が無い
❸ 端部に使用可能
❹ 取り外しが容易にできる
❺ 作業性が良く、施工ミスが起き難い
❻ 安定した強度が保障される(埋め込み深さ全体にねじを立てる)
用途
- 官工事、配管設備、天井工事、建築設備、改修・リフォームなどに
特長
- 素早い施工を実現。
- プレキャストコンクリート等に、吊りボルトを確実に取り付け。
- スクリュー式アンカーなので、下穴に入れ、締めるだけ。
- 先端の特殊カットにより、切り粉を奥に自動排出。
- 切り粉を自動排出することにより、ねじ込み抵抗が少ない。
- プレキャストコンクリート(PC板)に最適
- ねじ固定式コンクリートアンカーなので、仕上材や端部にクラックが起き難い(割れにくい)
- 高ナットW3/8-16(3分)付き。
- 優れた引張強度
- 取り外しも可能
施工方法

❶
下穴をあけ孔内の切粉を除去してください

❷
プレコンアンカーを取り付け物の上よりねじ込む

❸
ねじ込み抵抗が大きい場合は逆転させる

❹
ねじ込み後にボルトを取り付け完了
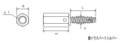
仕様表
| 品 名 | d(mm) | L(mm) | d1(mm) | m(mm) | S(mm) | ケース入数 |
|---|---|---|---|---|---|---|
| PHN-W3/8×8.5×35 | 8.5 | 35.0 | W3/8×16 | 30.0 | 14.0 | 50×10 |
下穴表
| 品 名 | サイズ | 標準下穴径 (mm) | 標準下穴深さ (mm) | 標準埋め込み深さ (mm) |
|---|---|---|---|---|
| PHN-W3/8×8.5×35 | W3/8×8.5×35 | 7.0 | 40.0 | 35.0 |
引張強度表
コンクリート圧縮強度 37.2N/mm² (379kgf/cm²)
| 品 名 | サイズ | 下穴径 (mm) | 埋込み深さ (mm) | 最大引張強度 |
|---|---|---|---|---|
| PHN-W3/8×8.5×35 | W3/8×8.5×35 | 7.0 | 35 | 12,817N (1,307kgf) |
○試験方法・条件
コンクリート引き抜き強度
コンクリートに所定の下穴を開けプレコンアンカーをねじ込み、油圧試験器により最大引張値を読みとる。
※埋め込み深さの違い、コンクリートの圧縮強度が違う場合は上記の最大引張強度とは異なります。
※充分な安全率を考慮の上ご使用ください。
製品カタログ
| プレコンアンカー&Pレスアンカー 製品カタログ |
|---|
![]() |
| プレコンアンカーII 製品カタログ |
|---|
![]() |
| プレコンアンカーII 高ナット付タイプ 引張試験成績書 |
|---|
![]() |
改良及び製造の都合上、寸法・材質・表面処理など変更する事がありますのでご了承ください。
最新のデータとなっておりますが、製造終了(販売中止)や仕様変更により修正する場合がございます。
イイファス製品の総合カタログ、その他の製品のカタログはこちらよりご覧ください。
承認図(標準仕様書)
お問い合わせ



